OmniCore 中C90XT TypeA,V250XT TypeB和V400XT控制柜的安全回路的接线方式,跟IRC5控制柜不同,不过也有自动停,常规停止和紧急停止。
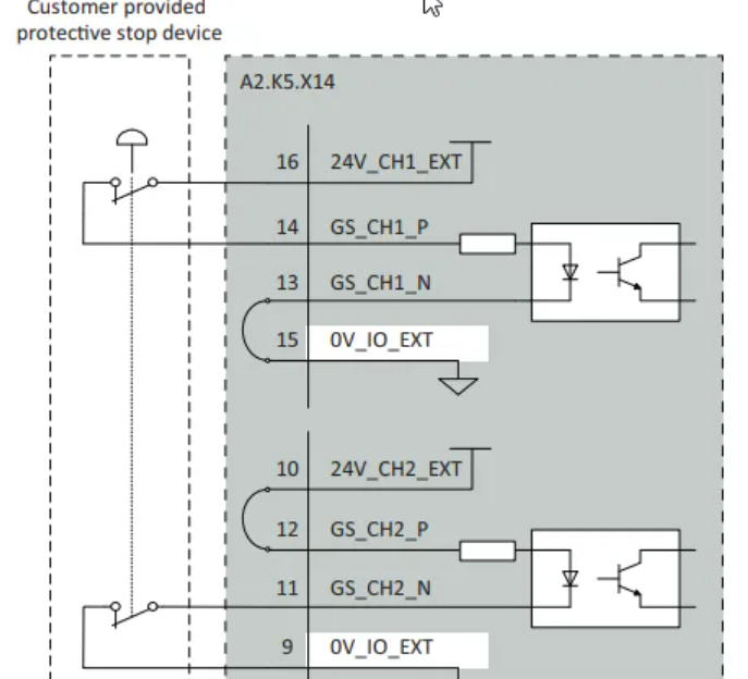
C90XT TypeA,V250XT TypeB和V400XT控制柜中安全电路位于主计算机中,安全面板的X14,X15两个端子上,如下图:

连接器X14说明:
连接器X14允许连接常规停止和紧急停止设备。

常规停止内部供电接线范例:

常规停止外部供电接线范例:

紧急停止内部供电接线范例:

连接器X15说明:
连接器X15可连接自动停止,紧急停止输出,外部电机开启及指示灯。


